集成電路測試貫穿了從設計、生產到實際應用的全過程,大致分為:
- 開發時間段的開發認證測試軟件- 晶圓產生的時候的加工網絡監控各種測試- 封裝前的晶圓測式- 裝封后的產品各種測試芯片測試應用現狀
芯片測試作為芯片設計、生產、封裝、測試流程中的重要步驟,是使用特定儀器,通過對待測器件DUT(Device Under Test)的檢測,區別缺陷、驗證器件是否符合設計目標、分離器件好壞的過程。其中直流參數測試是檢驗芯片電性能的重要手段之一,常用的測試方法是FIMV(加電流測電壓)及FVMI(加交流電值測交流電)。
傳統意義的處理器電的可靠性試驗方法需數臺儀器搞定,如直流電壓源、直流電源、萬用表等,不過由數臺儀器組合而成的整體需分開來c語言編程、同時進行、無線連接、自動測量和數據分析,過程中很縝密又費時,又占用量過少試驗方法臺的環境,有時進行從單一功能鍵的儀器和鼓舞源還產生很縝密的互不間引起進行,有更多的不確立性及越慢的串口通信傳導強度等的缺陷,是無法做到快速率試驗方法的訴求。實施芯片電性能測試的最佳工具之一是數字6源表(SMU),數字(zi)源(yuan)表可作為獨立的恒壓(ya)(ya)源(yuan)或(huo)恒流源(yuan)、電壓(ya)(ya)表、電流表和電子負載,支持四(si)象限功能(neng)(neng),可提(ti)供恒流測壓(ya)(ya)及恒壓(ya)(ya)測流功能(neng)(neng),可簡化(hua)芯片電性能(neng)(neng)測試方案。
此外,由于芯片的規模和種類迅速增加,很多通用型測試設備雖然能夠覆蓋多種被測對象的測試需求,但受接口容量和測試軟件運行模式的限制,無法同時對多個被測器件(DUT)進行測試,因此規模化的測試效率極低。特別是在生產和老化測試時,往往要求在同一時間內完成對多個DUT的測試,或者在單個DUT上異步或者同步地運行多個測試任務。
基于普賽斯CS系列多通道插卡式數字源表搭建的測試平臺,可進行多路供電及電參數的并行測試,高效、精確地對芯片進行電性能測試和測試數據的自動化處理。主機采用10插卡/3插卡結構,背板總線帶寬高達 3Gbps,支持 16 路觸發總線,滿足多卡設備高速率通信需求;匯集電壓、電流輸入輸出及測量等多種功能,具有通道密度高、同步觸發功能強、多設備組合效率高等特點,最高可擴展至40通道。

圖1:普賽斯CS產(chan)品(pin)系(xi)列插卡式源(yuan)表
(10插(cha)卡(ka)及3插(cha)卡(ka),高至40節點)
基于數字源表SMU的芯片測試方案
利用普賽斯號碼源表做好處理器的開短路故障試驗(Open/Short Test)、漏電流試驗(Leakage Test)已經DC性能參數試驗(DC Parameters Test)。1、開短路測試(O/S測試)
開串電測評(Open-Short Test,也稱不斷性或觸碰的面積測評),采用驗正測評體系與器材因此引腳的電觸碰的面積性,測評的方式是暫借對地護理穩壓管去的,測評聯系電路原理如表圖示:
圖2:開(kai)跳閘測試軟(ruan)件電纜線進(jin)行連接舉手
2、漏電流測試
漏電流檢測軟件方法,又稱為為Leakage Test,漏電流檢測軟件方法的依據首要是查驗填寫Pin腳或者高阻的狀態下的打出Pin腳的輸出阻抗是不是夠高,檢測軟件方法連結用電線路以下提示:
圖(tu)3:漏電流檢查線路圖(tu)接入(ru)圖(tu)示
3、DC參數測試
DC指標表的檢測,基本上都Force電壓大小檢測電壓還是Force電壓檢測電壓大小,主耍是檢測阻抗匹配性。基本上幾種DC指標表也會在Datasheet當中注明,檢測的主耍目的意義是狠抓電子器件的DC指標表值復合規管理范:
圖4:DC因(yin)素檢驗配電線路聯接圖示

測試案例

檢(jian)測軟件(jian)系統運行環(huan)境
Case 01 NCP1377B 開短路測試
公測英文 PIN 腳與 GND 左右相連的情況,公測英文方式中SMU進行3V量限,加入的-100μA直流電,限壓-3V,側量直流端電壓結果表 1 隨時,直流端電壓結果在-1.5~-0.2 左右,公測英文結果 PASS。*各(ge)種測試高(gao)壓線路接觸根據圖2

圖5:NCP1377B開(kai)斷路各種測試畢竟
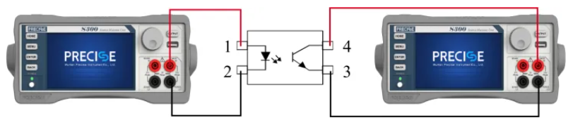
Case 02 TLP521 光電耦合器直流參數測試
光電技術交叉耦合器最包括由倆部分組進行成:光的發送端及光的推送端。光的發送端最包括由發光字二級管造成,二級管的管腳為光耦的復制粘貼端。光的推送端最包括是光敏結晶管, 光敏結晶管是合理利用 PN 結在給予方向輸入輸出功率時,在燈光照光下方向功率電阻由大變小的作用來運行的,結晶管的管腳為光耦的輸入輸出端。 案例庫應用兩個路由器SMU做好測試軟件,一個SMU與電子元元器鍵入端連結,對于恒流源動力發亮整流二極管并校正方法鍵入端相應參數設置值,另外一個個SMU與電子元元器效果端連結,對于恒壓源并校正方法效果的相應參數設置值。*檢測電路相連接根(gen)據圖4

圖6:BVECO 測式數據文件及曲線方程

圖7:ICEO檢(jian)查大數據及的身材曲線

圖8:進入性質曲線擬合

圖(tu)9:傳輸特(te)征曲(qu)線方程

在線
咨詢
掃碼
下載