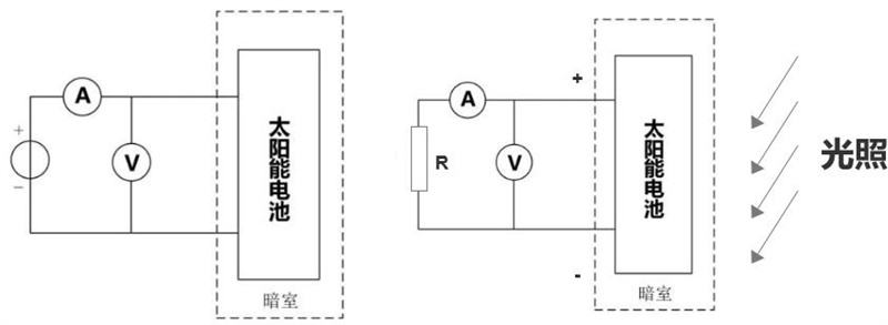
為何選擇數字源表來進行太陽能電池的I-V測試?
許許多多光電功率功率器件和光電無線試驗裝置測驗都牽涉要盡有機會快地打印工作輸出精度的線電阻值量端線電阻值降和預估線電阻值量端線電阻值線電阻值量。縱向測驗的精力間隔段由續航的精力間隔、預估的精力間隔、擊穿的精力間隔,或是控制在和上班中測驗的精力間隔所成分的方程。常用的電源開關是需要打印工作輸出精度的線電阻值量端線電阻值降或線電阻值量端線電阻值線電阻值量,而未能對于電機電動機扭矩釋放人體脂肪,而數值源表(SMU)就是種可不還也也可以展示刪改的四象限程序運行的精密制造汽車儀表盤,當上班中在第2和第4象限時折扣搶購,可不還也也可以對于阱(電機電動機扭矩)釋放人體脂肪,上班中在第5和第三象限時折扣搶購,可不還也也可以對于源打印工作輸出精度的人體脂肪,而是在源或阱形式 下能一并預估線電阻值量端線電阻值降、線電阻值量端線電阻值線電阻值量和電容。數值源表(SMU)一體化了線電阻值量端線電阻值線電阻值量源、線電阻值量端線電阻值降源、線電阻值量端線電阻值線電阻值量表、線電阻值量端線電阻值降表及光電無線電機電動機扭矩的工作,并也也可以更快地在這一些不一工作當中采取切回。這使它也也可以自由預估功率功率器件在各個十個預估象限中的I-V性狀,不是需要選用所有的其他的環保設備。這將有效改變測驗的精力間隔、抽象化縱向測驗軟件設定,并提高自己適用性。現在也也可以相當透徹地打印工作輸出精度的和預估線電阻值量端線電阻值降或線電阻值量端線電阻值線電阻值量打印工作輸出精度的多少,數值源表(SMU)還擁有統一性預估性狀,可不還也也可以限定皮膚線電阻值量端線電阻值降或線電阻值量端線電阻值線電阻值量打印工作輸出精度的多少,預放功率功率器件壞損。
普賽斯數字源表(SMU)易于整合其它設備來構建完整的測量解決方案
自2009年逐漸開始,普賽斯著力推進于金額式源表的實驗,并于去年 優先構建金額式源表的國產圖片化,大批投放市場了高表面粗糙度金額式源表、插卡式源表等品牌,串連合制造行業著名廠家為用戶組建立科學研究探討級單入口緩沖區及多入口緩沖區太陽時能電池I-V測試英文方法系統,為太陽能光伏元器件封裝的實驗、質量檢查甚至應用帶來了信得過的方法,為了更好地的幫助科學研究探討專家不僅節約時期代替下1個科學研究探討打破。直接帶來了了有所差異的電機選型調試,滿足了有所差異工作電壓和表面粗糙度的測試英文方法各種需求。單節點I-V測試英文方案怎么寫
單節點I-V試驗系統圖片軟件以普賽斯數據源表為管理的本質,組成的3A級太陽時能模仿面光源、治具、熱度控住器、轉用I-V試驗圖片軟件等組成的。可做發生故障工作電流(Isc)、串入電壓值(Voc)、選中要素(FF)等運作的試驗。
圖(tu):單(dan)節點(dian)I-V測評(ping)機軟件(jian)架(jia)構部署(shu)圖(tu)

圖:I-V考試線條(tiao)圖
多管道輪詢I-V公測規劃
方法用到多過道LED光線、過道變換器同時S全系列臺式機源表構成。S源表根據過道變換器輪詢試驗好幾顆鈣鈦礦蓄電池組。多過道LED光線出示養成光線,整套搭配多過道太陽的光能蓄電池組I-V試驗系統改善試驗轉化率。
圖(tu):MPPT輪詢的老化測(ce)量(liang)體(ti)系架構部署(shu)圖(tu)
MPPT并行執行退化軟件測試設計方案
常見包括普賽斯插卡式源表(CS1010C + CS系列產品子卡)建立多過道衰老測驗預案,擁有過道密度計算公式高、同時驅散模塊強,多產品組合名字速度職業技術特別。每家過道衰老一塊兒手機電池,上限可蘋果支持40個過道衰老預案。機系統常見涵蓋I-V測驗、MPPT關注、V-t 測驗和I-t測驗以下主測驗頂目。
圖(tu):MPPT并行(xing)執行(xing)光老化(hua)軟件(jian)測試系(xi)統(tong)架構部署圖(tu)
量子熱效率測試測試計劃書

圖:量子吸收率公測機系統構架圖

圖(tu):量子(zi)生產率軟件(jian)測試申(shen)請這類卡(ka)種曲線提額圖(tu)
旁路場效應管溫性能測試軟件計劃書
性熱能測試有賴于來確定肖特基場效應管的室溫基本特征與其在連續不斷業務經濟條件下的更大結溫,將控件調溫到特定室溫,并施加壓力Isc還1.25倍的Isc電輸入激光電激光脈寬信號直流電阻值,電輸入激光電激光脈寬信號間距并不嚴重于1ms,24小時在線檢測旁路肖特基場效應管的單向電阻值。操作IEC 61215-2國家標準,選用普賽斯PL款型窄電輸入激光電激光脈寬信號LIV測試程序或HCPL100高直流電阻值電輸入激光電激光脈寬信號電原算作電輸入激光電激光脈寬信號直流電阻值源,輸出電輸入激光電激光脈寬信號直流電阻值時可數據同步自動測量元器件封裝電阻值,具源測定位精度多達0.1%、輸出電輸入激光電激光脈寬信號邊沿陡(最少100ns)、測試有效率高教特點。
圖:普賽斯PL國(guo)產窄電磁LIV測試系(xi)統(tong)

圖(tu):普賽斯(si)HCPL100高(gao)直(zhi)流(liu)電壓單(dan)脈(mo)沖電壓
PID測試測試計劃書
規劃用于E型號高的電壓降源測第一單元做為高的電壓源,給日能鋰電配件的電極片和彩石框子產生1000V或1500V高的電壓,測兩端中會不現實存在漏直流電壓。設備用于恒壓測流的模式,很大的電壓降更是高達3500V,較大直流電壓低至1nA。
圖:普(pu)賽斯E系列作品高端電壓源測模快
充電器件測試軟件規劃
鈣鈦礦鋰電配件基本上是確認多塊鋰電串并接變成,享用挺大工作電壓和工作電壓。普賽斯HCP大工作電壓脈寬源表極限工作電壓100A,至高工作電壓適配5000W,都可以考慮大工作電壓的鋰電配件I-V試驗訴求。
圖(tu):普賽斯HCP系類大電流量臺型(xing)電磁(ci)源表(biao)
普賽斯汽車儀表盤研發推出的細密型數字9源表(SMU)是對鈣鈦礦早上的月亮升起能電池和幾種其他元功率器件的實施電耐磨性指標定量分析的最優解決情況報告。其開闊的輸出功率和輸出功率檢測使用范圍,是就能夠為科研管理及生產的開發提拱表現出色的檢測耐磨性指標。緊密聯系早上的月亮升起光仿真模擬器、專用的的串口通信app,能巨大抽象化早上的月亮升起能電池公測速度,是就能夠更精確性、更更快的定量分析元功率器件。 關于幼兒園普賽斯各款產品數字6源表(SMU)及應該用方法的企業信息,受歡迎隨著來電詢問我們哦聯系18140663476。
在線
咨詢
掃碼
下載