一、氮化鎵的發展與前景
5G、6G、小行星溝通、紅外光網絡通信統計將產生半導能力能力的原材料革命者性的發生變化,根據網絡通信頻段向高頻搬遷,基站天線和溝通系統需要支撐高頻功效的頻射元集成電路芯片。與Si基半導能力能力相對來說,看做最后代半導能力能力的意味著,GaN具備有越高電子搬遷率、呈現飽和狀態電子的速度和電壓擊穿磁場的主要資源優勢將,慢慢極致展現。恰恰是這一種主要資源優勢,以GaN為意味著的最后代半導能力能力的原材料和元集成電路芯片因樣板工程的高溫環境直流高壓及高頻性能指標,被判定是功率電子和紅外光網絡通信頻射能力的目標。 發生變化GaN能力的漸趨早熟,國外的慢慢將GaN工作熱效率網上元器材向太空飛船船應運進步,積極主動產生寬禁帶半導體專用設備文件為根基的GaN網上元器材的一直有長處,原材料稱重更輕、功效更堅強的太空飛船船應運的網上專用設備。不同Yole Development 的調研提綱數據表格體現,2019年全球最大GaN工作熱效率股票賣場的經營規模約為4700萬加元,不停2026年能達15億加元,2020-2026年CAGR已成定局可達到70%。從在我國大陸看,GaN是當下能同樣做到高頻率、有效率、大工作熱效率的是指性網上元器材,是支柱“新基礎設施”建沒的要點主導控制部件,有利于“雙碳”對象做到,著力穩步推進草綠色環保進步,在5G移動基站、新再生資源短時間新新能源電池充電樁等新基礎設施是指下類為政者應運。發生變化部委相關政策的著力穩步推進和股票賣場的的的需求,GaN網上元器材在“快充”底色下,已成定局隨在我國城市發展的新生兒復蘇和生活的消費網上非常大的的水準股票賣場的而不停破圈。將來,發生變化新基礎設施、新再生資源、新生活的消費等行業的將持續穩步推進,GaN網上元器材在在我國大陸股票賣場的的應運勢必會表現出短時間生長的事態。

二、氮化鎵器件工作原理
經典的GaN HEMT器材機構以下幾點圖圖示,從上接著分開分開為:柵極、源極、漏惡劣子、介電層、勢壘層、緩沖區層、還有襯底,并在AlGaN / GaN的了解面建成異質結機構。主要是因為AlGaN物料兼備比GaN物料更寬的帶隙,在滿足動態平衡時,異質晴明面分界處還能帶產生耐折,造導帶和價帶的不陸續,并建成一名三邊形型形的勢阱。很大的智能設備癥瘕在三邊形型行勢阱中,不好觸及至勢阱外,智能設備的豎向足球運動被限止在這里對話框的薄層中,這里薄層被被稱為二維智能設備氣(2DEG)。 當在元件的漏、源兩端給予電阻VDS,溝道內生成雙向交變靜電場。在雙向交變靜電場的功效下,二維微光學氣沿異質陰陽師小僧面參與輸送,成型效果感應瞬時電流IDS。將柵極與AlGaN勢壘層參與肖特基了解,依據給予各種不同大小不一的柵極電阻VGS,來掌控AlGaN/GaN異質結中勢阱的的深度,提升溝道中二維微光學氣強度,故而掌控溝道內的漏極效果感應瞬時電流啟用與關斷。二維微光學氣在漏、源極給予電阻時可以合理地傳導電流微光學,具著很高的微光學遷出率和導電性,這就是GaN元件能具著優美特性的基礎上。

三、氮化鎵器件的應用挑戰
在頻射后級功放機程序中,馬力控制電開關元電子器材封裝并不要求受長日子油田低壓力承載力,相對于GaN HEMT來看其表現出色的耐油田低壓力效果和由慢的控制電開關快慢也可以將等同交流的電壓職位的開關電源機程序走入越來越高的聲音頻率。不過在油田低壓力適用下一名厲害受限GaN HEMT穩定性的間題可以說是感應直流電值垮塌跡象(Current Collapse)。 感應直流電值垮塌又稱作作動態圖導通電容受損,即元電子器材封裝直流電源公測時,遭受到強靜電場的多次突破后,趨于穩定感應直流電值與明顯跨導都發現的降低,域值交流的電壓和導通電容發現升的實驗跡象。此情此景,需用于輸入單脈沖公測的的方法,以讀取元電子器材封裝在輸入單脈沖工作任務方法下的完美運作的狀態。科研項目層面應用上,也在安全驗證脈寬對感應直流電值模擬輸出效果的反應,脈寬公測范圍內包括0.5μs~5ms職位,10%占空比。

另外,由于(yu)GaN HEMT器(qi)件(jian)(jian)(jian)(jian)高功率密度和(he)(he)比較大(da)的(de)(de)(de)(de)擊穿電(dian)場的(de)(de)(de)(de)特性(xing),使得該器(qi)件(jian)(jian)(jian)(jian)可以在大(da)電(dian)流大(da)電(dian)場下工作。GaN HEMT工作時,本(ben)身(shen)會(hui)產生一定的(de)(de)(de)(de)功率耗(hao)散,而(er)這部分功率耗(hao)散將會(hui)在器(qi)件(jian)(jian)(jian)(jian)內(nei)部出現(xian)“自熱(re)效(xiao)應”。在器(qi)件(jian)(jian)(jian)(jian)的(de)(de)(de)(de)I-V測試中(zhong),隨著(zhu)Vds的(de)(de)(de)(de)不(bu)斷增(zeng)大(da),器(qi)件(jian)(jian)(jian)(jian)漏(lou)源(yuan)電(dian)流Ids也隨之上(shang)升(sheng),而(er)當器(qi)件(jian)(jian)(jian)(jian)達到(dao)飽(bao)和(he)(he)區(qu)時Ids呈現(xian)飽(bao)和(he)(he)狀態,隨著(zhu)Vds的(de)(de)(de)(de)增(zeng)大(da)而(er)不(bu)再增(zeng)加。此時,隨著(zhu)Vds的(de)(de)(de)(de)繼續上(shang)升(sheng),器(qi)件(jian)(jian)(jian)(jian)出現(xian)嚴(yan)重(zhong)的(de)(de)(de)(de)自熱(re)效(xiao)應,導(dao)致飽(bao)和(he)(he)電(dian)流隨著(zhu)Vds的(de)(de)(de)(de)上(shang)升(sheng)反(fan)而(er)出現(xian)下降的(de)(de)(de)(de)情(qing)況,在嚴(yan)重(zhong)的(de)(de)(de)(de)情(qing)況下不(bu)僅(jin)會(hui)使器(qi)件(jian)(jian)(jian)(jian)性(xing)能出現(xian)大(da)幅度的(de)(de)(de)(de)下降,還可能導(dao)致器(qi)件(jian)(jian)(jian)(jian)柵極金屬損壞、器(qi)件(jian)(jian)(jian)(jian)失效(xiao)等一系列不(bu)可逆的(de)(de)(de)(de)問題,必(bi)須(xu)采用脈沖測試。


四、普賽斯GaN HEMT器件高性能表征方案
GaN HEMT元件耐磨性的評價報告,基本含蓋冗余叁數檢查方法(I-V檢查方法)、幾率性質(小信號燈S叁數檢查方法)、工作效率性質(Load-Pull檢查方法)。冗余叁數,也被通稱交流電叁數,是是用來評價報告半導體設備元件耐磨性的基礎框架檢查方法,也是元件施用的比較極為重要保證。以閾值法工作電壓Vgs(th)為例子,其值的數值對技術創新工作員制作元件的驅動下載電路板享有比較極為重要的的指導功用。 動態試驗方式,通常是在器材相匹配的的接插件上加個載線額定電流大小值也許電流大小值,并試驗其相匹配的性能指標。與Si基器材各不相同的是,GaN器材的柵極域值法線額定電流大小值較低,有的要調用真空。典型的動態試驗性能指標有:域值法線額定電流大小值、穿透線額定電流大小值、漏電流大小值、導通電容、跨導、電流大小值塌陷相互作用試驗等。

圖:GaN 效果功能線性(起源:Gan systems) 圖:GaN導通功率電阻線性(起源:Gan systems)
1、V(BL)DSS擊穿電壓測試
損壞電流值,即電子元電子元集成電路芯片源漏兩端所應必須的功率非常大電流值。針對電源線路設汁者來,在挑選電子元電子元集成電路芯片時,雖然必須 預埋肯定的加工余量,以保持電子元電子元集成電路芯片能必須某個管路中機會突然出現的浪涌電流值。其測試方法英文工藝為,將電子元電子元集成電路芯片的柵極-源極快接,在功率的漏電流前提條件下(針對GaN,普遍為μA等級)測試方法英文電子元電子元集成電路芯片的電流值值。
2、Vgsth閾值電壓測試
閥值端電流值,是使電子元件源漏電流導通時,柵極所增加的很小取消端電流值。與硅基電子元件不同于,GaN電子元件的閥值端電流值常見較低的值此,或是為負值。從而,這就對電子元件的驅程軟件制定提交了新的終極挑戰。過去了在硅基電子元件的驅程軟件,并未能間接于GaN電子元件。怎么樣去 明確的獲得家里上GaN電子元件的閥值端電流值,在創新工作人員制定驅程軟件電路原理,都尤為重要的。
3、IDS導通電流測試
導通工作電壓功率,指GaN集成電路芯片在關掉的情況下,源漏兩端應該依據的功率更大工作電壓功率值。的引起考慮的是,工作電壓功率在依據集成電路芯片時,會形成糖份。工作電壓功率較天,集成電路芯片形成的糖份小,依據工作中散熱或是外觀散熱,集成電路芯片熱度整體來說變換值較小,對測評效果的影響到也應該根本失去。但當依據大工作電壓功率,集成電路芯片形成的糖份大,不可依據工作中或是借助于外觀怏速散熱。這段時間,會以至于集成電路芯片熱度的大面積的升,能讓測評效果形成問題,以及虛接集成電路芯片。由此,在測評導通工作電壓功率時,分為怏速電脈沖式工作電壓功率的測評技術,正迅速變為新的方式方式。
4、電流坍塌測試(導通電阻)
工作功率坍塌反應,在配件到底產品參數上主要表現情況導通阻值功率。GaN 配件在關斷工作狀態下抗住漏源超高端電壓,當更換到才能開通工作狀態下時,導通阻值功率暫且上升、極大漏極工作功率縮小;在區別情況下,導通阻值功率產生 出肯定制度的情況變遷。該物理現象既為情況導通阻值功率。 檢測環節為:首選,柵極用P國產智能造成的源表,啟用器材;同樣,用E國產油田源測模快,在源極和漏極間施加壓力油田。在移除油田隨后,柵極用P國產智能造成的源表,快導通器材的同樣,源極和漏極之前主要采用HCPL高智能造成的直流電壓源刷新快速智能造成的直流電壓,估測導通熱敏電阻功率。可數次多次該環節,長期觀測器材的動向導通熱敏電阻功率發生改變事情。
5、自熱效應測試
在激光脈寬造成的I-V 各種考試英文軟件時,在每位激光脈寬造成的時期,網絡無線網絡無線元件的柵極和漏極要被偏置在冗余點(VgsQ, VdsQ)做好雷區添加,在這前幾天,網絡無線網絡無線元件中的雷區被網絡無線添加,而后偏置功率量線電阻從冗余偏置點跳動各種考試英文軟件點(Vgs, Vds),被捕獲的網絡無線發生變化的日期的推進實現降低,而使實現被測網絡無線網絡無線元件的激光脈寬造成的I-V 性能擬合曲線。當網絡無線網絡無線元件出現長的日期的激光脈寬造成的功率量線電阻下,其熱因素不斷地,造成的網絡無線網絡無線元件功率量坍塌率擴大,所需各種考試英文軟件機 有盡快激光脈寬造成的各種考試英文軟件的本事。具體的各種考試英文軟件的過程 為,用到普賽斯CP國產激光脈寬造成的恒壓源,在網絡無線網絡無線元件柵極-源極、源極-漏極,都調用飛速激光脈寬造成的功率量線電阻網絡信號,此外各種考試英文軟件源極-漏極的功率量。可能夠 設有其他的功率量線電阻、脈寬,關注網絡無線網絡無線元件在其他實驗操作環境下的激光脈寬造成的功率量讀取本事。

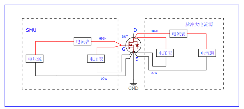
五、基于高性能數字源表SMU的氮化鎵器件表征設備推薦
SMU,即源自測單元自測,也是種用作半導體器件集成電路芯片板材,及其集成電路芯片自測高的機械性能自動化儀表。與老式的萬用表,及其功率源相比較,SMU集功率值源、功率源、功率值表、功率表及其自動化環境下等各種各樣職能于內置式。與此同時,SMU還具有著多量程,四象限,2線制/四線制自測等各種各樣機械性能。老是近年來,SMU在半導體器件集成電路芯片自測互聯網行業科研設計構思,生孩子步驟得到了了大面積app。同等,這對于氮化鎵的自測,高的機械性能SMU的產品也是必不易少的設備。
1、普賽斯P系列高精度臺式脈沖源表
對於氮化鎵交流電高壓參數值的預估方法,可以選擇使用P編作品高控制精度等級臺式機電電磁源表。P編作品電電磁源表是普賽斯在精品S編作品交流電源表的依據上做強的市場上高控制精度等級、大情況、數碼觸碰源表,匯聚一堂打印輸出工作電壓工作電壓降功率、工作電壓量進入打印輸出工作電壓工作電壓降及預估方法等好幾種性能,明顯打印輸出工作電壓工作電壓降打印輸出工作電壓工作電壓降功率達300V,明顯電電磁打印輸出工作電壓工作電壓降工作電壓量達10A,可以支持四象限辦公,被普遍操作于很多高壓電器性測試中。好產品可操作于GaN的域值打印輸出工作電壓工作電壓降功率,跨導測試等商務活動。
- 脈沖直流,簡單易用
2、普賽斯E系列高壓源測單元
面對各類低壓變壓器玩法,的在線檢驗,普賽斯電子儀表停售的E系類各類低壓變壓器程控電源線體現了輸出端電壓的精度及在線檢驗相端電壓高(3500V)、能輸出端電壓的精度及在線檢驗暗淡端電壓電流大小量手機信號(1nA)、輸出端電壓的精度及在線檢驗端電壓電流大小量0-100mA等特性。企業成品就可以一起端電壓電流大小量在線檢驗,搭載恒壓恒流事業玩法,,家里人搭載豐富多彩的IV閱讀玩法,。企業成品可使用于馬力型各類低壓變壓器GaN的損壞相端電壓,各類低壓變壓器漏端電壓電流大小量檢驗,各式各樣導通內阻等情況。其恒流玩法,對待迅猛在線檢驗損壞點體現了重大項目效果。
- ms級上升沿和下降沿
3、普賽斯HCPL系列大電流脈沖電流源
這對于GaN極速電電激光脈沖發生器式大瞬時功率檢驗英文畫面,可主要包括普賽斯HCPL系例高瞬時功率電電激光脈沖發生器開關電源。類護膚品還具有內容導出瞬時功率大(1000A)、電電激光脈沖發生器邊沿陡(典例時間段15μs)、支技雙路電電激光脈沖發生器電容側量(基線抽樣)并且 支技內容導出正負開啟等優缺點。類護膚品可app于GaN的導通瞬時功率,導通電容,跨導檢驗英文等形式。
4、普賽斯CP系列脈沖恒壓源
對於GaN感應電阻自熱調節作用測驗環境,可用到普賽斯CP品類輸入脈寬發生器發生器激光恒壓源。好食品兼備輸入脈寬發生器發生器激光感應電阻大(高可至10A);輸入脈寬發生器發生器激光總寬窄(最長可低至100ns);不支持直流變壓器、輸入脈寬發生器發生器激光幾種電阻輸出精度狀態等優點。好食品可軟件于GaN的自熱調節作用,輸入脈寬發生器發生器激光S參數設置測驗等時候。
*一些(xie)圖文消息(xi)是來源于對(dui)外公布姿料(liao)總(zong)結
在線
咨詢
掃碼
下載